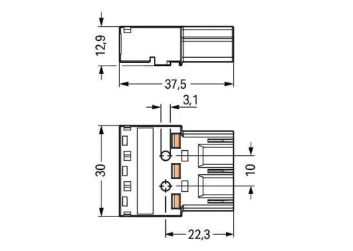
Erkek konnektör/fiş WINSTA ® MIDI A kodlaması Sinyal ve güç iletimi için: IP20 koruma tipine sahip WINSTA ® MIDI erkek konnektör/fiş.
WAGO takılabilir kurulum konnektörleri, gereksinimler tekrarlandığında veya belirli bir ızgara üzerinde planlandığında, örneğin ızgara aydınlatması veya gömme montajlı aydınlatma kurulumu için kullanılabilir.
Takılabilir kurulum konnektörünün mekanik kodlaması ve renk kodlaması, hatalı eşleşmeye karşı koruma da dahil olmak üzere ayrı bileşenlerin hatasız kurulumunu sağlar.
Takılabilir kurulum konnektörü, IP20 koruma tipine uygun olarak katı nesnelerin girişine karşı korunur (gerginlik azaltıcı muhafaza ile birleştirildiğinde ve sabitlendiğinde: IP2xC (Bu kompakt konnektörler açık, kolayca erişilebilen alanlarda kullanılmak üzere tasarlanmamıştır!).
Beyaz veya siyah A kodlu WINSTA ® MIDI takılabilir kurulum konektörü genellikle güç dağıtımındaki genel şebeke uygulamaları için kullanılır.
Bu takılabilir kurulum konektörü, 25 A'ye kadar elektrik akımları için kullanılabilir.
Bu nedenle ürün, yüksek güçlü yükler için idealdir.
Push-in CAGE CLAMP® yay basınçlı bağlantı teknolojisine sahip WINSTA ® MIDI, hızlı, kolay ve maksimum esnek elektrik tesisatı için kullanabileceğiniz çeşitli projelerde bulunabilir.
Elektrik tesisatınız için WINSTA ® MIDI çözümleri – yanlış eşleşmeye karşı korumalı ve bakım gerektirmez WINSTA® Tak Çıkarılabilir Bağlantı Sistemi, takılabilir elektrik kurulumuna olanak tanır.
Bu, servis ihtiyacını önemli ölçüde azaltır ve maliyetleri düşürür.
Dayanıklılığı ve kaliteyi seçin; WAGO'nun hatalı eşleşmeye karşı koruması, elektrikli bileşenlerin elektrik kurulumunu önemli ölçüde kolaylaştırır.
Yanlış eşleşmeye karşı koruma, birçok genel şebeke uygulamasında kullanım için A kodlamalı otomasyon kontrolörleri için hataları ortadan kaldırır özel tasarlanmış çözümler Devam eden çalışma sırasında arızalı ünitelerin hızlı değiştirilmesi


.png)