| Güvenlik Bilgisi | Bitişik cihazlar, montaj rayı üzerinde aynı yönelimle yan yana düzenlenen aynı tasarıma (seri) sahip cihazlardır. Güçlendirilmiş yalıtım gerekliliklerine uygunluk için diğer tipteki cihazlara bir uç durdurucu (249-116) takılmalıdır. |
|---|---|
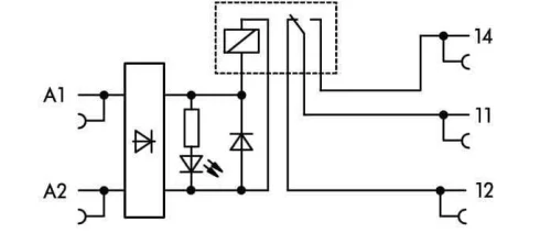
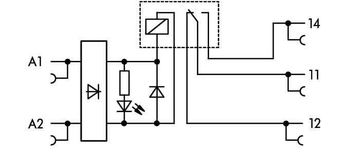
| Not | Röle bobinlerini ve kontakları korumak için endüktif yükler etkin bir koruyucu devre ile bastırılmalıdır. |
Röle bobinlerini ve kontakları korumak için endüktif yükler etkin bir koruyucu devre ile bastırılmalıdır.


.png)