PCB terminal block, 250 Series, Push-in CAGE CLAMP® Our PCB terminal block (item number 250-104) makes connections quick and easy.
Cihazlarınızı tasarlarken birçok uygulama için mükemmel olan bu PCB klemenslerinin kanıtlanmış güvenliğine güvenebilirsiniz.
İletkenleri bu PCB terminal bloğuna bağlarken şerit uzunluklarının 8,5 ile 9.5 mm arasında olduğundan emin olun.
Bu ürün bir iletken terminal içerir ve Push-in CAGE CLAMP®'yi kullanır.
Push-in CAGE CLAMP® teknolojisi her türlü iletken için evrensel bir bağlantı çözümü sağlar.
ferrul'lere sahip hem tek damarlı hem de ince telli iletkenlerin alet gerektirmeden doğrudan kenetleme noktasına yerleştirilmesine olanak tanır.
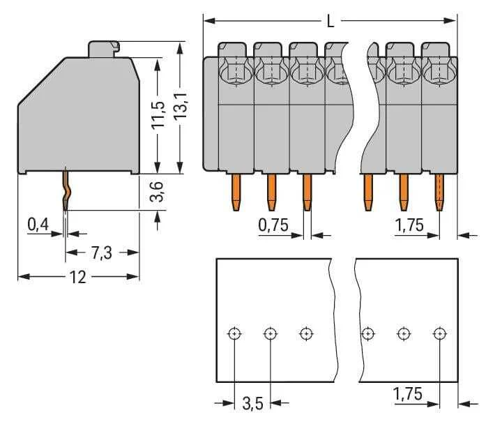
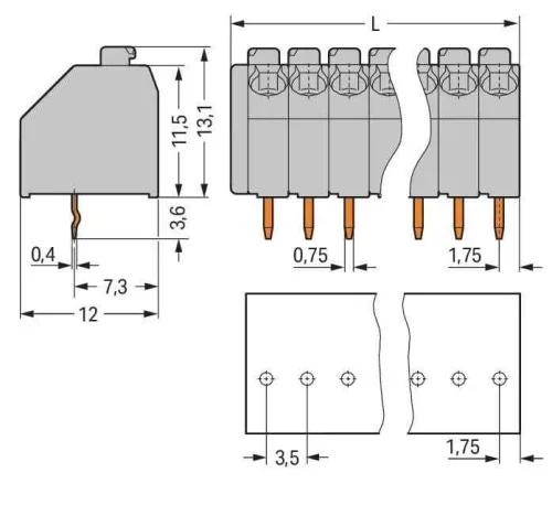
Boyutlar: (15,5 x 16,7 x 12) mm (genişlik x yükseklik x derinlik).
Bu PCB klemens, 0.2 mm² ile 1.5 mm² arasındaki iletken kesitleri için uygundur.
Temas yüzeylerini kaplamak için kalay kullanılır.
Bu PCB terminal bloğu bir basma düğmesiyle çalıştırılır.
PCB terminal bloğu THT lehimleme için tasarlanmıştır.
İletkeni panele 45° açıyla yerleştirin.


.png)