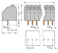
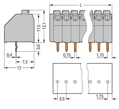
PCB terminal block, 250 Series, with 3.5 mm pin spacing This PCB terminal block (item number 250-105) is designed to connect conductors quickly and easily.
Cihazlarınızı tasarlarken çok çeşitli uygulamalar için mükemmel olan bu PCB klemenslerinin kanıtlanmış güvenliğine güvenebilirsiniz.
İletkenleri bu PCB terminal bloğuna bağlarken şerit uzunlukları 8,5 ile 9.5 mm arasında olmalıdır.
Push-in CAGE CLAMP® ile birlikte bir iletken terminaline sahip olan bu ürün oldukça çok yönlüdür.
Push-in CAGE CLAMP® teknolojisi, tüm iletken türleri için evrensel bir bağlantı çözümü sağlar.
ferrul'lere sahip hem tek damarlı hem de ince telli iletkenlerin alet gerektirmeden doğrudan kenetleme noktasına yerleştirilmesine olanak tanır.
Ürünün boyutları (19 x 16,7 x 12) mm'dir (genişlik x yükseklik x derinlik).
İletken tipine bağlı olarak bu PCB klemens, 0.2 mm² ile 1.5 mm² arasındaki iletken kesitleri için idealdir.
Temas yüzeyi kalay ile kaplanmıştır.
Bu PCB terminal bloğunu çalıştırmak için bir basma düğmesi kullanılır.
THT, PCB terminal bloğunu monte etmek için kullanılır.
İletkeni 45° açıyla yerleştirin.


.png)