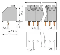
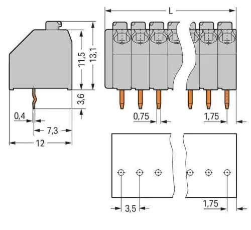
PCB terminal block, 250 Series, push-button This PCB terminal block (item number 250-106) is designed to connect conductors quickly and easily.
Farklı montaj türleri için gereken esnekliği sunar.
İletkenleri bu PCB terminal bloğuna bağlarken şerit uzunlukları 8,5 ile 9.5 mm arasında olmalıdır.
Push-in CAGE CLAMP® ile birlikte bir iletken terminaline sahip olan bu ürün oldukça çok yönlüdür.
Push-in CAGE CLAMP® teknolojisi, tüm iletken türleri için evrensel bir bağlantı çözümü sağlar.
ferrul'lere sahip hem tek damarlı hem de ince telli iletkenlerin alet gerektirmeden doğrudan kenetleme noktasına yerleştirilmesine olanak tanır.
Öğenin boyutları (22,5 x 16,7 x 12) mm'dir (genişlik x yükseklik x derinlik).
İletken tipine bağlı olarak bu PCB klemensi, 0.2 mm² ile 1.5 mm² arasındaki iletken kesitleri için tasarlanmıştır.
Temas yüzeyi kalay ile kaplanmıştır.
Bu PCB terminal bloğu bir basma düğmesiyle çalıştırılır.
PCB terminal bloğu THT lehimleme için tasarlanmıştır.
İletken 45° açıyla yerleştirilecek şekilde tasarlanmıştır.


.png)