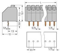
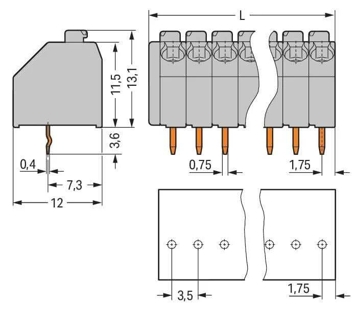
PCB terminal block, 250 Series, with 3.5 mm pin spacing Our PCB terminal block (item number 250-107) ensures effortless electrical installations.
Cihazlarınızı tasarlarken birçok uygulama için mükemmel olan bu PCB klemenslerinin denenmiş ve test edilmiş güvenliğine güvenebilirsiniz.
Should iletkenleri bu PCB terminal bloğuna yalnızca şerit uzunlukları 8,5 ile 9.5 mm arasındaysa bağlanabilir.
Bu üründe bir iletken terminal bulunur ve Push-in CAGE CLAMP® kullanılır.
Push-in CAGE CLAMP® teknolojisi her türlü iletken için evrensel bir bağlantı çözümü sağlar.
ferrul'lere sahip hem tek damarlı hem de ince telli iletkenlerin alet gerektirmeden doğrudan kenetleme noktasına yerleştirilmesine olanak tanır.
Boyutlar (26 x 16,7 x 12) mm'dir (genişlik x yükseklik x derinlik).
İletken tipine bağlı olarak bu PCB klemensi, 0.2 mm² ile 1.5 mm² arasındaki iletken kesitleri için uygundur.
Temas yüzeylerini kaplamak için kalay kullanılır.
Bu PCB terminal bloğunu çalıştırmak için bir basma düğmesi kullanılır.
THT, PCB terminal bloğunu lehimlemek için kullanılır.
İletkeni 45° açıyla yerleştirin.


.png)