PCB terminal block, 250 Series, 45 °conductor entry to board Our PCB terminal block (item number 250-405) ensures effortless electrical installations.
Farklı montaj türleri için gereken esnekliği sunar.
İletkenler bu PCB terminal bloğuna yalnızca şerit uzunlukları 8,5 ila 9.5 mm arasındaysa bağlanabilir.
Bu üründe bir iletken terminal bulunur ve Push-in CAGE CLAMP® kullanılır.
Push-in CAGE CLAMP® bağlantı teknolojisi tüm iletken türlerini bağlamak için idealdir.
Takılabilir tasarımı sayesinde, ferrul'lerle hem katı hem de ince telli iletkenlerin herhangi bir alet kullanmaya gerek kalmadan doğrudan yerleştirilmesine olanak tanır.
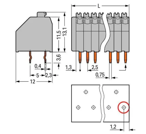
Boyutlar (14 x 16,7 x 12) mm'dir (genişlik x yükseklik x derinlik).
İletken tipine bağlı olarak bu PCB klemensi, 0.14 mm² ile 0.5 mm² arasındaki iletken kesitleri için uygundur.
Temas yüzeylerini kaplamak için kalay kullanılır.
Bu PCB terminal bloğu bir basma düğmesiyle çalıştırılır.
PCB terminal bloğu THT lehimleme için tasarlanmıştır.
İletken, panele 45° açıyla yerleştirilecek şekilde tasarlanmıştır.


.png)