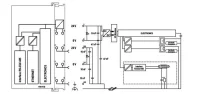
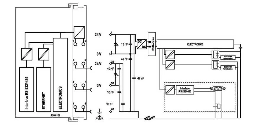
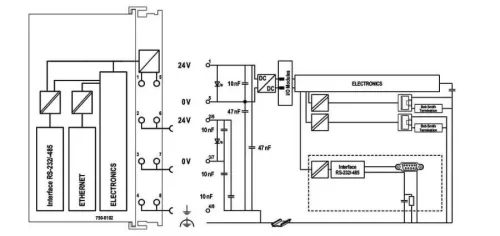
PFC100 Kontrol Cihazı, modüler WAGO I / O Sistemi için kompakt bir PLC'dir. Ağ ve fieldbus arayüzlerinin yanı sıra kontrolör, 750/753 Serisinde bulunan tüm dijital, analog ve özel modülleri destekler.
İki ETHERNET arayüzü ve entegre switch, hat topolojisi kablolamaya olanak tanır.
Entegre Web sunucusu kullanıcıya konfigürasyon seçenekleri sunarken PFC100 durum bilgisini gösterir.
Proses endüstrisi ve bina otomasyonunun yanı sıra PFC100'ün tipik uygulamaları standart makine ve ekipman kontrolünü (örneğin ambalaj, şişeleme, üretim sistemleri, tekstil ve metal-ahşap işleme makineleri) kapsar.
IEC 61131-3'e göre programlama


.png)