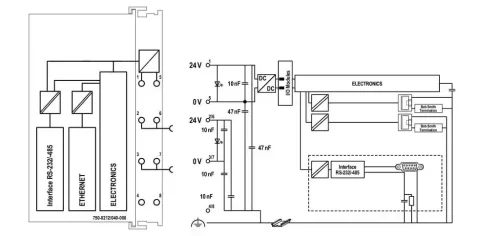
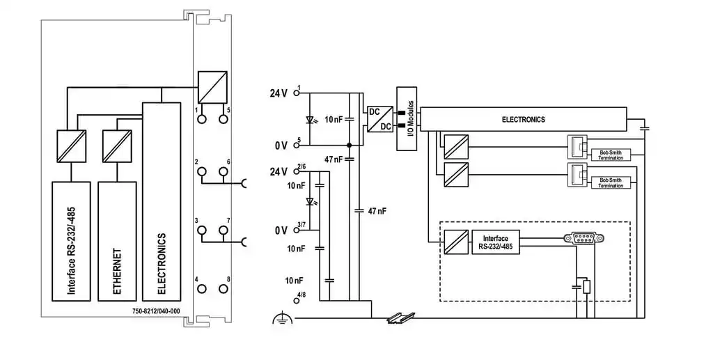
PFC200 Kontrol Cihazı modular WAGO I/O Sistemi için kompakt bir PLC'dir. Ağ ve fieldbus arayüzlerinin yanı sıra kontrol cihazı, 750/753 Serisinde bulunan tüm dijital, analog ve özel modul'leri destekler.
İki ETHERNET arayüzü ve entegre bir anahtar, hat topolojisi kablolamasını mümkün kılar.
Entegre bir Web sunucusu, PFC200 durum bilgilerini görüntülerken kullanıcı yapılandırma seçenekleri sağlar.
İşleme endüstrisi ve bina otomasyonunun yanı sıra, PFC200'ün tipik uygulamaları arasında standart makine ve ekipman kontrolü (örn. paketleme, şişeleme ve üretim sistemleri ile tekstil, metal ve ahşap işleme makineleri) yer alır.
IEC 61131-3'e göre programlama
Cihaz aşağıdaki özellikleri sayesinde zorlu ortamlarda kullanım için idealdir:
