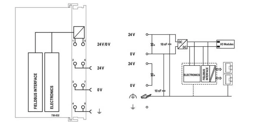
750-832 BACnet / IP Kontrol Cihazı, WAGO I / O Sistemini BACnet protokolüne bağlar ve DIN EN ISO 16484-5 uyarınca B ‐ BC BACnet cihaz profilini destekler.
Diğer BACnet aygıtlarıyla BACnet/IP üzerinden haberleşir.Denetleyici aşağıdaki üç işlevi sağlar: 1.
Yerel sunucu: Her kanal için, denetleyiciye bağlı dijital ve analog I / O modülleri için uygun BACnet nesneleri otomatik olarak oluşturulur.2.
Uygulama sunucusu: Diğer desteklenen BACnet nesneleri, IEC 61131-3 programlama ortamı aracılığıyla oluşturulabilir ve bir BACnet ağında kullanılabilir hale getirilebilir.3.
Uygulama istemcisi: İstemci işlevselliğini kullanarak nesnelere ve özelliklerine diğer BACnet aygıtları tarafından erişilebilir.İki ETHERNET arabirimi ve entegre bir anahtar, fieldbus'ın bir hat topolojisinde kablolanmasına izin vererek, anahtarlar veya hub'lar gibi ek ağ cihazlarına olan ihtiyacı ortadan kaldırır.
Her iki arayüz de otomatik anlaşmayı ve Otomatik MDI (X) özelliğini destekler.DIP anahtarı, IP adresinin son baytını yapılandırır ve IP adresi ataması için kullanılabilir Entegre bir Web sunucusu, kontrolörün durum bilgilerini görüntülerken kullanıcıya yapılandırma seçenekleri sağlar.
IEC 61131-3 programlanabilir kontrolör çoklu görev yeteneğine sahiptir ve kapasitör destekli bir RTC'ye sahiptir.
8 MB veri belleği mevcuttur.750-832 Denetleyici, çıkarılabilir bir bellek kartı yuvası ile donatılmıştır.
Aygıt parametrelerini veya dosyaları (örneğin boot dosyaları) bir kontrolörden diğerine aktarmak için hafıza kartı kullanılabilir.
Hafıza kartına FTP üzerinden ulaşılabilir ve ek sürücü olarak kullanılabilir.Kontrolör maksimum 1000 basit BACnet nesnesini işleyebilir.
Projede uygulanabilecek gerçek sayı, karmaşık nesne türleri ile azaltılabilir.750-832 / 000-002 Denetleyiciler maksimum 256 BACnet nesnesini destekler.
BACnet ağlarının başlatılması ve yapılandırılması, WAGO BACnet Konfigurator'ün Windows yazılımı kullanılarak gerçekleştirilir.


.png)