Kablosuz Erişim Noktası, bir makineye veya sisteme kablosuz erişim sağlar.
Bu kablosuz iletim, WLAN (IEEE802.11a/b/g/d/n/r), Bluetooth ® veya Bluetooth ® Low Energy aracılığıyla farklı çalışma modlarında gerçekleştirilebilir.
Örneğin bir tablet veya akıllı telefon kullanılarak bir makinenin kontrol sistemine radyo bağlantısı üzerinden erişim sağlanabilir.
Cihaz aynı zamanda bir makineyi veya sistemi mevcut bir kablosuz ağa (örn. WLAN ağı) istemci olarak entegre edecek şekilde de yapılandırılabilir.
Üçüncü ana çalışma modunda, iki cihaz arasında ETHERNET protokolleri (örn. PROFINET, Modbus/TCP, EtherNet/IP TM ) için kablosuz iletim bağlantısı kurulabilir.
Bu ağ geçidi modunda cihaz, iki otomasyon cihazı arasında sağlam, sektörde kanıtlanmış bir Bluetooth ® veya WLAN bağlantısı oluşturmak için kablo yerine kullanılır.
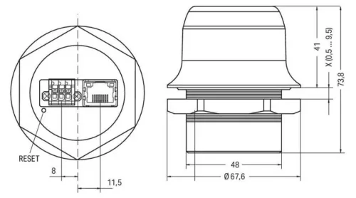
Kablosuz Erişim Noktası, kontrol kabininde panel üzerinden montaj (kesme = 50.5 mm) için tasarlanmıştır.
Kablosuz Erişim Noktası panel boşluğundan geçirilir ve karşı taraftan M50 somunla vidalanır.
Kablolama kontrol kabininin içinde gerçekleştirilir.
Muhafazanın dış tarafı IP67 koruma sınıfını karşılar.
Not: Kablosuz Erişim Noktası, Kablosuz ETHERNET Ağ Geçidi ile uyumludur.
Bu cihazlar bir ağda ortak olarak kullanılabilir.


.png)