PCB terminal block, 250 Series, gray This PCB terminal block (item number 250-402) is designed for easy and secure connections.
Tak-çıkar PCB konnektörü, panel geçiş başlığı, raya montajlı klemensler için konnektör veya farklı montaj yöntemleri için değişken konnektör gibi hemen hemen her yerde kullanılabilen evrensel bir konnektördür.
İletkenleri bu PCB terminal bloğuna bağlarken şerit uzunluklarının 8,5 ile 9.5 mm arasında olduğundan emin olun.
Push-in CAGE CLAMP® ile birlikte bir iletken terminaline sahip olan bu ürün oldukça çok yönlüdür.
Push-in CAGE CLAMP® ürünümüz, tüm iletken tipleri için evrensel, bakım gerektirmeyen bir bağlantı çözümüdür ve önemli bir özelliğe sahiptir: Ferrul'ler ile hem katı hem de ince telli iletkenlerin alet gerektirmeden doğrudan eklenmesine olanak tanır.
Hiçbir hazırlık gerekli değildir; örneğin iletkenin ferrule'sinin kıvrılması gerekli değildir.
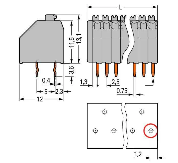
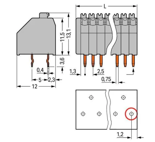
Ürünün boyutları (6,5 x 16,7 x 12) mm'dir (genişlik x yükseklik x derinlik).
İletken tipine bağlı olarak bu PCB klemensi, 0.14 mm² ile 0.5 mm² arasındaki iletken kesitleri için tasarlanmıştır.
Temas yüzeylerini kaplamak için kalay kullanılır.
Bu PCB terminal bloğunu çalıştırmak için bir basma düğmesi kullanılır.
PCB terminal bloğu THT lehimleme için tasarlanmıştır.
İletken 45° açıyla yerleştirilecek şekilde tasarlanmıştır.


.png)