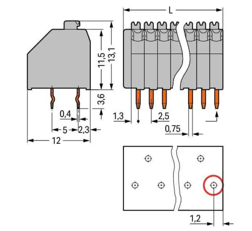
PCB terminal block, 250 Series, with 2.5 mm pin spacing Connect conductors quickly and easily with this PCB terminal block (item number 250-408).
Cihazlarınızı tasarlarken birçok uygulama için mükemmel olan bu PCB terminal bloklarının güvenilir güvenliğine güvenebilirsiniz.
İletkenleri bu PCB terminal bloğuna bağlarken şerit uzunlukları 8,5 ile 9.5 mm arasında olmalıdır.
Push-in CAGE CLAMP® ile birlikte bir iletken terminali içeren bu ürün, güvenilir performans sunar.
Push-in CAGE CLAMP® ürünümüz, tüm iletken türleri için evrensel, bakım gerektirmeyen bir bağlantı çözümüdür ve kazanan bir tasarıma sahiptir: Ferrul'ler ile hem katı hem de ince telli iletkenlerin alet gerektirmeden doğrudan eklenmesine olanak tanır.
Hiçbir hazırlık gerekli değildir; örneğin iletkenin ferrule'sinin kıvrılması gerekli değildir.
Öğenin boyutları (21,5 x 16,7 x 12) mm'dir (genişlik x yükseklik x derinlik).
İletken tipine bağlı olarak bu PCB klemensi, 0.14 mm² ile 0.5 mm² arasındaki iletken kesitleri için tasarlanmıştır.
Temas yüzeylerini kaplamak için kalay kullanılır.
Bu PCB terminal bloğunu çalıştırmak için bir basma düğmesi kullanılır.
THT, PCB terminal bloğunu monte etmek için kullanılır.
İletkeni panele 45° açıyla yerleştirin.


.png)