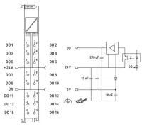
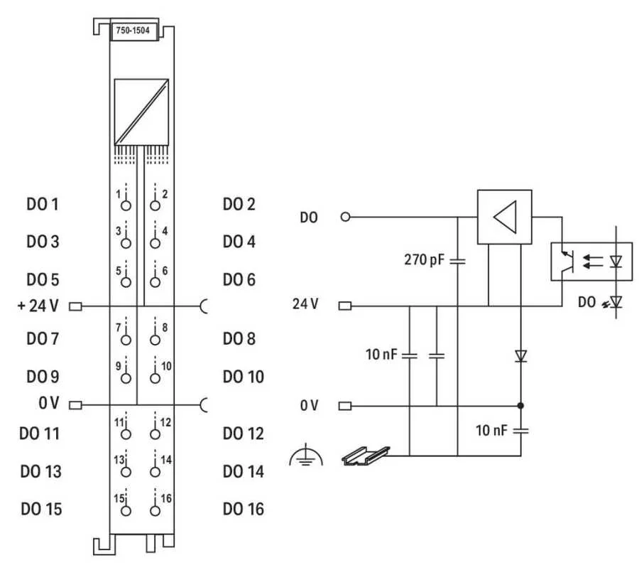
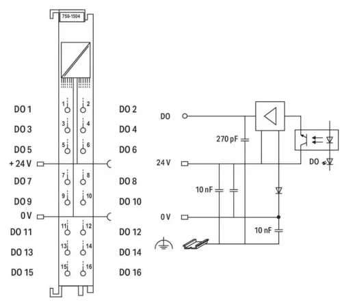
Bu dijital çıkış modülü, yalnızca 16 mm (12 inç) genişliğinde 0,47 kanala sahiptir.
Otomasyon aygıtından aldığı ikili (binary) kontrol sinyallerini bağlı aktüatörlere (örneğin manyetik valfler, kontaktörler, vericiler, röleler veya diğer elektrik yükleri) iletir.
Modül, tek damarlı iletkenlerin bastırılarak sonlandırılmasını sağlayan Bastırmalı CAGE CLAMP® bağlantılarına sahiptir.
Yeşil bir LED, her kanalın sinyal durumunu gösterir.
Saha ve sistem düzeyleri elektrik yalıtımlıdır.
Push-in CAGE CLAMP ® bağlantılarını açmak için 2,5 mm bıçaklı (210-719) bir çalıştırma aleti gereklidir.



.png)