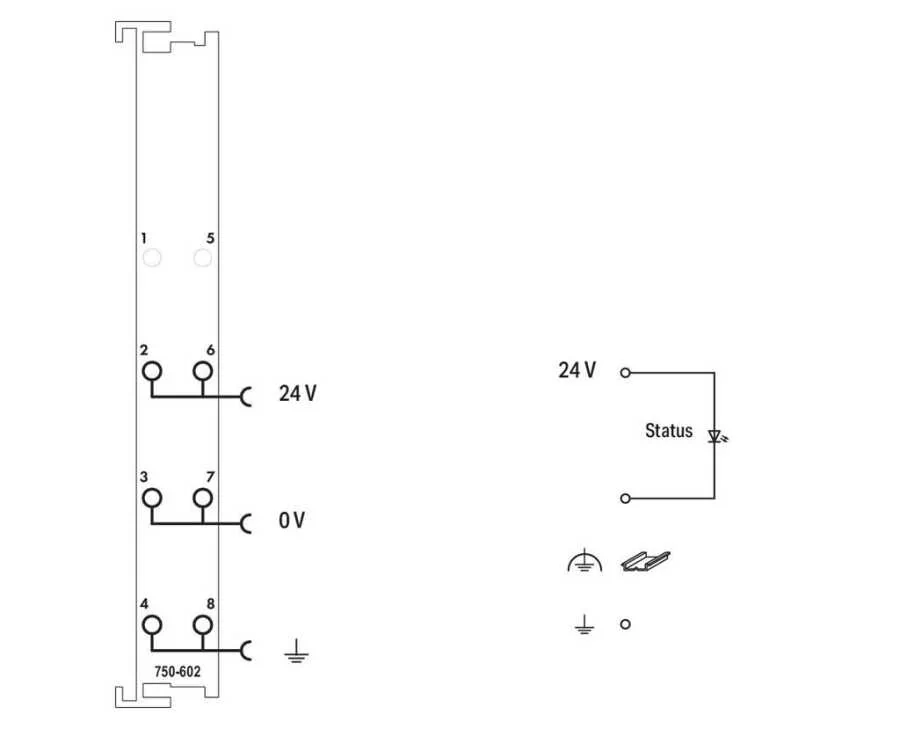
Bu besleme modülü I/O modüllerini ilgili besleme potansiyeliyle besler.
Besleme modülü tarafından sağlanan maksimum akım 10 A'dır Sistemi yapılandırırken, toplam akım aşılmamalıdır.
Daha yüksek akımlar gerekirse donanıma ara besleme modülü eklenmelidir.


.png)