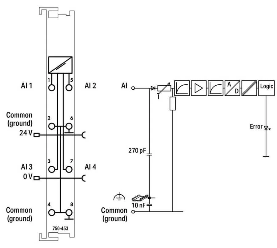
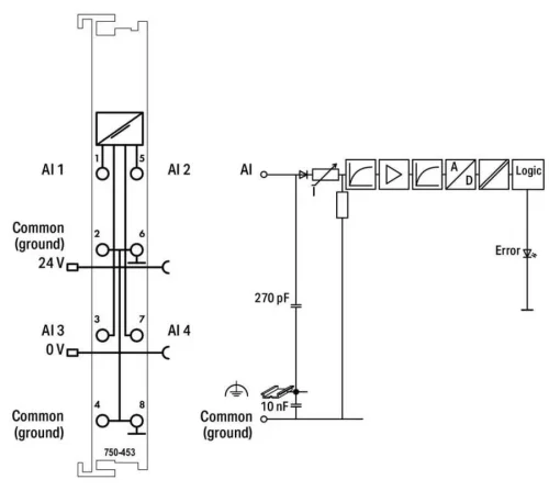
Bu analog giriş modülü standart 0-20 mA sinyalleri işler.
Giriş sinyali elektriksel olarak yalıtılmış olup 12 bit çözünürlükte iletilir.
Modül, dahili sistem beslemesi tarafından beslenir.
Modül giriş kanalları ortak bir toprak potansiyeline sahiptir.


.png)