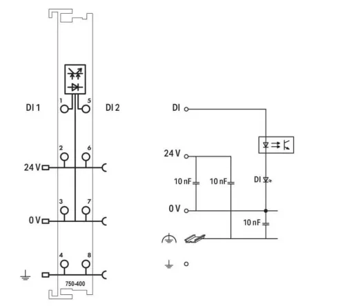
Bu dijital giriş modülü, saha cihazlarından (ör. Sensörler) kontrol sinyallerini alır.
Her giriş modülünde bir gürültü bastırma filtresi bulunur.
Saha ve sistem düzeyleri elektrik yalıtımlıdır.
.png)
Tükendi
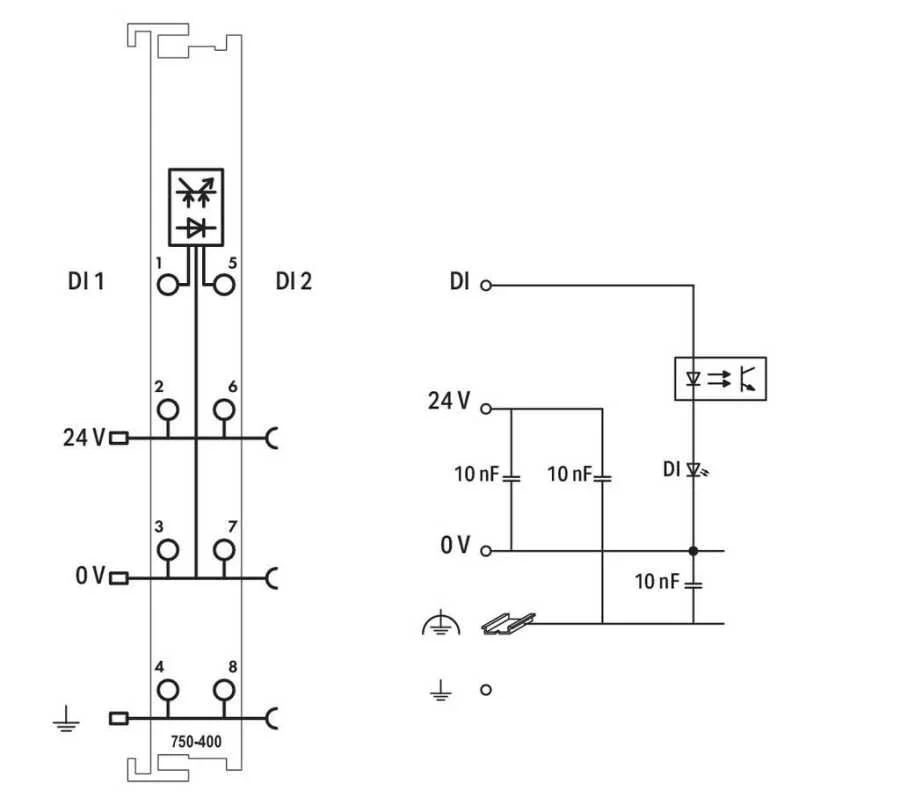
Gelince Haber VerBu dijital giriş modülü, saha cihazlarından (ör. Sensörler) kontrol sinyallerini alır.
Her giriş modülünde bir gürültü bastırma filtresi bulunur.
Saha ve sistem düzeyleri elektrik yalıtımlıdır.
| Dijital Giriş Sayısı | 2 |
|---|---|
| Toplam Kanal Sayısı (modül) | 2 |
| Sinyal Tipi | Digital |
| Sinyal Voltajı Türü | 24 VDC |
| Sensör Bağlantısı | 2 x (2 telli, 3 telli, 4 telli) |
| Giriş Karakteristiği | Yükselen kenar anahtarlama |
| Giriş Filtresi (dijital) | 3 ms |
| Sinyal (1) Tipi için Kanal Başına Giriş Akımı. | 4,5 mA |
| Sinyal Gerilimi (0) | −3 … +5 VDC |
| Sinyal Gerilimi (1) | 15 … 30 VDC |
| Sensör Beslemesi | 24 VDC |
| Giriş Veri Genişliği (dahili) Maks. | 2 Bit |
| Sistem Besleme Gerilimi | 5 VDC; veri kişileri aracılığıyla |
| Akım Tüketimi, Sistem Beslemesi (5 V) | 3,7 mA |
| Saha Besleme Gerilimi | 24 VDC (-25 … +30 %); güç jumper kontakları aracılığıyla (bıçak kontağı yoluyla güç kaynağı; yay kontağı yoluyla iletim) |
| İzolasyon | 500 V sistem/saha |
| Göstergeler | LED (A, C) yeşil: Durum DI 1, DI 2 |
| Gelen Güç Atlama Teli Kontaklarının Sayısı | 3 |
| Giden Güç Atlama Teli Kontaklarının Sayısı | 3 |
| Güç Atlama Teli Kontaklarının Akım Taşıma Kapasitesi | 10 A |
| Bağlantı Teknolojisi: Giriş/çıkışlar | 8 x CAGE CLAMP ® (inputs) |
|---|---|
| Bağlanabilir Iletken Malzemeler | Bakır |
| Bağlantı Türü | Giriş |
| Tek Damarlı Boylar | 0,08 … 2,5 mm² / 28 … 14 AWG |
| İnce Bükümlü Kablolar | 0,08 … 2,5 mm² / 28 … 14 AWG |
| Sıyırma Uzunluğu | 8 … 9 mm / 0.31 … 0.35 inches |
| Genişlik | 12 mm / 0.472 inches |
|---|---|
| Yükseklik | 100 mm / 3.937 inches |
| Derinlik | 69,8 mm / 2.748 inches |
| Din-35 Rayının Üst Kenarından Itibaren Uzunluk | 62,6 mm / 2.465 inches |
| Montaj Tipi | DIN-35 ray |
|---|---|
| Tak-çıkar Konnektör | Hayır |
| Renk | açık gri |
|---|---|
| Gövde Malzemesi | Polikarbonat, poliamid 6.6 |
| Yangın Yükü | 1,083 MJ |
| Ağırlık | 45,8 g |
| Uygunluk Işareti | CE |
| Çevre Hava (çalışma) Sıcaklığı | 0 … +55 °C |
|---|---|
| Çevreleyen Hava (depolama) Sıcaklığı | -40 … +85 °C |
| Koruma Sınıfı | IP20 |
| Kirlilik Derecesi (5) | IEC 61131-2'ye göre 2 |
| Çalışma Yüksekliği | 0 … 2000 m |
| Montaj Pozisyonu | Horizontal left, horizontal right, horizontal top, horizontal bottom, vertical top and vertical bottom |
| Nısbi Nem (yoğuşmasız) | 95 % |
| Titreşime Dayanıklı | IEC 60068-2-6 uyarınca 4g |
| Darbe Direnci | IEC 60068-2-27 'e göre 15g |
| Emc'nin Parazite Karşı Bağışıklığı | EN 61000-6-2 uyarınca, denizcilik uygulamaları |
| Emu: 1 - Enterferans Emisyonu | EN 61000-6-4 uyarınca, denizcilik uygulamaları |
| Kirletici Maddelere Maruziyet | IEC 60068-2-42 ve IEC 60068-2-43 uyarınca |
| %75 Bağıl Nemde Izin Verilen H2s Kirletici Konsantrasyonu | 10 ppm |
| %75 Bağıl Nemde Izin Verilen So2 Kirletici Konsantrasyonu | 25 ppm |
| Ürün Grubu | 15 (I/O System) |
|---|---|
| Ambalaj. Birim | 1 Adet |
| Sap'nin Tipik Paketlemesi | Box |
| Sap Tesis 01'den Menşei | DE |
| Gtin | 4045454424251 |
| Sap Tesis 01'den Gümrük Tarifesi No. | 85176200000 |
| Unspsc | 32151705 |
|---|---|
| Ecl@ss 10.0 | 27-24-26-04 |
| Ecl@ss 9.0 | 27-24-26-04 |
| Etm 9.0 | EC001599 |
| Etm 10.0 | EC001599 |
| Eccn | NO US CLASSIFICATION |
| Cas-no. | 1303-86-2 1317-36-8 7439-92-1 |
|---|---|
| Reach Aday Listesi Maddesi | Diboron trioxide Lead Lead monoxide |
| Rohs Uyumluluk Durumu | Compliant,With Exemption |
| Rohs Muafiyeti | 6(c) 7(a) 7(c)-I 7(c)-II |
| Scip Bildirim Numarası (avusturya) | 35d1bd2d-1dd4-4949-936a-c10f9d8f4359 |
| Scip Bildirim Numarası (belçika) | 119e9707-a7b8-49ce-8650-b187b4d1d894 |
| Scip Bildirim Numarası (bulgaristan) | 43a66e7a-333a-450a-b7ce-2a330c2bf26d |
| Scip Bildirim Numarası (çek Cumhuriyeti) | c4ef2ef5-9eb7-4550-bea3-21eaca67a60f |
| Scip Bildirim Numarası (danimarka) | 107c1150-20b7-42d6-b924-79659ef9c1e1 |
| Scip Bildirim Numarası (finlandiya) | 253d5b41-1c4f-4ec0-bc02-5e79ab22731f |
| Scip Bildirim Numarası (fransa) | d248b7be-a29a-4f81-8447-81d3c4c63e6b |
| Scip Bildirim Numarası (almanya) | e19c8424-ea77-4459-8b1b-e15c8c9fd603 |
| Scip Bildirim Numarası (macaristan) | a23d906e-873d-454a-9f6b-6dc0baa18933 |
| Scip Bildirim Numarası (i̇talya) | b8d2ef7b-9f23-466d-87bd-5d01d0e6d61a |
| Scip Bildirim Numarası (hollanda) | 76d1a84c-03ad-4309-b8c3-f12ae7983786 |
| Scip Bildirim Numarası (polonya) | 99a0b07c-fb79-4824-be66-ceb4b1ae89a0 |
| Scip Bildirim Numarası (romanya) | fcad878d-d438-473d-a716-c9bdcaeb349d |
| Scip Bildirim Numarası (i̇sveç) | f4c35607-1d0c-4bfa-ba35-6d631aabd3b0 |
Ürünlerimiz kendi stoklarımızdan sizlere gönderilmektedir.
Stokta olmayan ürünleri eğer üretimden kalkmadıysa sizler için tedarik edebiliriz. Bu tür ürünler için bizimle iletişime geçebilirsiniz.
Firmamız E-Arşiv mükellefidir.
Satın almış olduğunuz ürünler %100 müşteri memnuniyeti kapsamında ambalajlı, ürünün orijinalliğinin bozulmamış olması kaydı ile 14 gün içerisinde iade alınabilmektedir..